正文
SEMEM_BFA阀门控制器
阅读 好评
产品描述:给排水、供热、电站、钢铁和煤炭等工业领域使用的BFA型电动阀门控制器分基本型盘装式阀门控制器、bfa阀门控制器,bfa电动阀门控制器,BFA(C)型阀门控制器,PLC接口型盘装式阀门控制器 ...
SEMEM_BFA阀门控制器
SEMEM_BFA阀门控制器
1、BFA型阀门控制器 概述:
BFA型阀门控制器是与阀门电动装置配套使用的产品,用以控制电动阀门的开启和关闭,可以实现在控制室内远距离对电动阀门的控制。该控制器与电动阀门配套后广泛地应用于使用管道阀门的给排水、供热、电站、化工、食品、纺织、造纸、船舶、钢铁和煤炭等工业部门。
.特点1:控制电路采用直流稳压电源,控制可靠,开度指示准确且操作方便;
.特点2:机壳采用标准的仪表机箱,体积小,重量轻,便于安装在控制屏上;
.特点3:电动阀门过力矩时有蜂鸣器报警,便于及时排除故障。
.型号规格
|
-1 型 |
-2 型 |
-3 型 |
备 注 | |
|
型号规格 |
BFA-1 |
BFA-2 |
BFA-3 |
基本型 |
|
BFA-1C |
BFA-2C |
BFA-3C |
带PLC接口型 |
|
|
额定电流(A) |
1A |
5A |
10A |
|
|
适配功率(KW) |
0.18KW |
1.1KW |
2.2KW |
注:壁挂式电动阀门控制器,型号规格标示,在盘装式电动阀门控制器后加-G,示例:
BFA-2-G型 壁挂式电动阀门控制器;
BFA-2C-G型 壁挂式电动阀门控制器,带PLC接口。
2、BFA型阀门控制器 参数:
.工作电压:380V 50Hz 三相四线制;
.环境温度:-20℃—40℃;
.周围不含有强腐蚀性、易燃易爆介质;
.相对湿度不大于80%(20℃±5℃);
.外形尺寸80×160×290mm,开孔尺寸152+1mm×76+1mm;
.重量:3Kg。

3、BFA型阀门控制器 特点:
.控制电路采用低压控制,调试、操作方便,控制可靠,开度指示准确直观;
.屏装机壳采用标准仪表机壳,体积小、重量轻,便于安装在控制屏上;
.指示灯指示开阀、关阀、阀全开、阀全关、事故、保护、现场、远控等状态;
.提供现场控制可能;
.电动阀门过力矩(事故)或电动机过电流、过热(保护)时声光报警,便于及时排除故障(取决于电动装置的相关功能,不同生产厂家的阀门电动装置,可能不含电动机过热保护)。

4、BFA型阀门控制器 安装与调整:
.根据所选购的型号规格按图将其安装固定,后面板上的接地端子必需可靠接地。
.控制器和电动装置的电路图号是相同的,用电缆按相同的端子号把控制器和电动装置连接起来,如果用户不需要现场控制,12、13、14端子可不接。电动阀门控制器用于自控系统中时,12、13、14端子用于“自动开”、“自动关”对应信号的输入端子。
.按下电源键,电源指示灯亮,现场远控开关指向远控,远控指示灯亮。
.用手轮将阀门开启至50%开度处,按下开阀或关阀键,检查阀门的旋向与所按的按键是否一致,如不一致立即按停止键,切断三相电源,调换三相电源中的任意两相。
.按下开阀键,当阀门全开到位时,前面板上的开阀指示灯亮;按下关阀键,当阀门全关到位时,前面板上的关阀指示灯亮;当阀门在开或关的过程中需要停止时,按停止键,阀门停止。把4号和7号端子短接,前面板上的事故灯亮。
.当阀门处在全开位置时, 调前面板上的调整电位器,使开度表显示100处。
.现场远控开关指向现场,现场指示灯亮,短路12号和13号端子,阀门和开向运行,为点动状态;短路12号和14号端子,阀门向关向运行,为点动状态。
.后面板上的保险管:220VAC、1A。
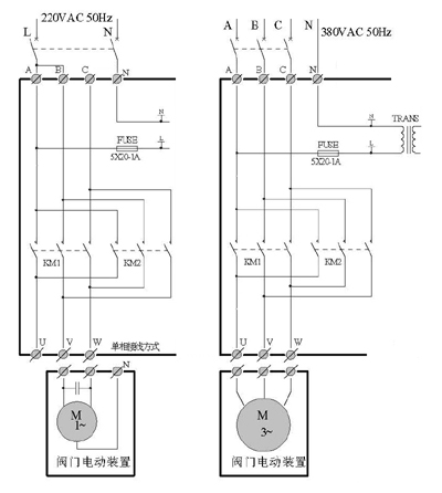
5、BFA型阀门控制器 原理图:

6、BFA型电动阀门控制器 220VAC(380VAC)应用:




